|
電感式接近開關由LC高頻振蕩器和放大處理電路組成,利用金屬物體在接近這個能產生電磁場的振蕩感應頭時,使物體內部產生渦流。這個渦流反作用于接近開關,使接近開關振蕩能力衰減,內部電路的參數發生變化,由此識別出有無金屬物體接近,進而控制開關的通或斷。這種接近開關所能檢測的物體必須是金屬物體。
|
產品圖片 Photo |
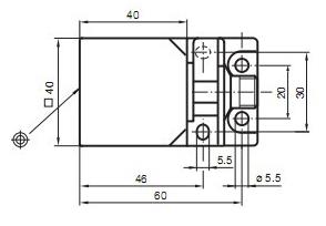
尺寸圖 Dimension drawing |
|

|

|
|
特點描述 Feature Description |
型號規格 Item Code |
|
|
◆ 體積小,適用于狹小空間 |
|
◆ 具有浪涌,逆極性保護功能 |
|
◆ 外殼材料:ABS |
|
◆ 防護等級IP67(IEC) |
|
|
|
|
|
|
NPN NO |
KJT-BFT40-NK/M12 |
|
NPN NC |
KJT-BFT40-NH/M12 |
|
DC 2線 |
KJT-BFT40-KL/M12 |
|
PNP NO |
KJT-BFT40-PK/M12 |
|
PNP NC |
KJT-BFT40-PH/M12 |
|
AC 2線 |
KJT-BFT40-JK/M12 |
|
|
電氣接線圖 Connection diagram |
規格參數 Specification |
|




|
|
安裝方式 |
埋入式 |
|
檢測距離 |
15/20/25mm |
|
外形規格 |
40*40 |
|
輸出方式 |
PNP NO |
|
電源電壓 |
10…30VDC |
|
開關頻率 |
1KHz/500Hz/300Hz |
|
開關點偏移 |
≤±10% |
|
遲滯范圍 |
1…20% |
|
重復誤差 |
≤3% |
|
負荷電流 |
≤100mA |
|
殘留電壓 |
≤2.5V |
|
消耗電流 |
≤10mA |
|
保護回路 |
浪涌,逆極性保護 |
|
輸出指示 |
紅色LED |
|
環境溫度 |
-25…70℃ |
|
環境濕度
|
35-95% |
|
防護等級 |
IP67 |
|
外殼材料 |
ABS |
|
接線方式 |
M12 航空插件式 |
無論您使用的是標準產品,還是定制的特殊產品,凱基特都是您的最佳選擇。 |
|