環型接近傳感器 Ring Type Proximity Sensor Macher--Your “The new choice of sensor”
6mm/10mm/15mm/21mm多種感應孔徑,具有動態和靜態的兩種工作原理. 高分辨率:即使直徑為0.6mm的小鋼球都能被可靠的檢測,特別快速的反應時間0.2ms通過電位計可設定脈沖延長和靈敏度.帶線和接插件,常開常閉功能可選.
環形傳感器最適合用于自動化輸送系統上金屬零部件檢測,如彈簧螺絲等。此傳感器分辨率高、響應時間短等特點。

|
|
靜態和動態工作原理 |
|
分辨率高 |
|
響應時間短 |
|
靈敏度可調節 |
|
|
|
抗污染 |
|
防護等級高 |
|
插頭連接 |
靜態工作的傳感器 與電感式接近傳感器的工作原理一樣,只要金屬處于監測范圍內,傳感器就可以產生一個持續的輸出信號.因而,該傳感器可以用于監控送料過程中墜落的螺釘或堵塞狀態.動態工作的傳感器適用于監測特別細小的部件.傳感器的輸出在期間產生一個短暫的脈沖,該脈沖在0.1和150ms之間可設,即使管子上出現金屬污垢,傳感器仍可以長時間保持很高的分辨率.
| Diameter直徑 |
Φ10mm |
Φ10mm |
|
| Mounting安裝方式 |
非齊平 |
非齊平 |
|
picture 產品圖片 |
 |
 |
|
| Sensing Distance 檢測距離 |
10mm |
10mm |
|
| DC 2 wire 10-36V (NO) |
KJT-T10-KL |
KJT-T10-KLC |
|
| DC 2 wire 10-36V (NC) |
KJT-T10-HL |
KJT-T10-HLC |
|
| DC 3 wire 10-36V NPN(NO) |
KJT-T10-NK |
KJT-T10-NKC |
|
| DC 3 wire 10-36V NPN(NC) |
KJT-T10-NH |
KJT-T10-NHC |
|
| DC 3 wire 10-36V PNP(NO) |
KJT-T10-PK |
KJT-T10-PKC |
|
| DC 3 wire 10-36V PNP(NC) |
KJT-T10-PH |
KJT-T10-PHC |
|
|
|
|
|
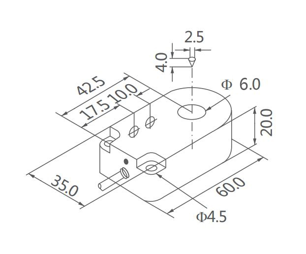
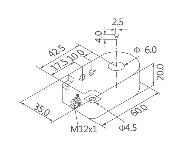
Dimensions (unit:mm) 外形尺寸 |
 |
 |
|
| 額定/性能 |
DC 2 Wire |
DC 3 Wire |
| Operating Voltage / 工作電壓 |
10-36VDC(Ripple<10%) |
10-36VDC(Ripple<10%) |
| No Load Current / 無負載電流 |
<1.8mA |
<15mA |
| Max. Load Current / 最大負載電流 |
<100mA |
<200mA |
| Leakge Current / 漏電流 |
<1.8mA |
<0.01mA |
| Min.Load Current / 最小負載電流 |
3mA |
- |
| Voltage Drop / 電壓降 |
<6v at 100mA |
<1.5V at 200mA |
| Switching Frequency / 開關頻率 |
2.5KHZ |
2.5KHZ |
| Switching Hysteresis / 開關磁滯 |
15% |
15% |
| Repeat Accuracy / 重復精度 |
<2% of Ratad Operating Distance |
<2% of Ratad Operating Distance |
| Protection Category / 防護等級 |
IP67 |
IP67 |
| Operating Temperature / 工作溫度 |
-25℃-+70℃ |
-25℃-+70℃ |
| Temperature Drft / 溫度漂移 |
±10%(Sr) |
±10%(Sr) |
| Min.targer / 最小檢測物體 |
D=3mm L=6mm |
D=3mm L=6mm |
| ReversePolarityProtection /反極性保護 |
YES |
YES |
| Short Circuit Protection / 短路保護 |
YES |
YES |
| Overlod Trip Point / 過載保護電流 |
120-150mA |
220-280mA |
| EMC |
RFT>3V/m / EFT>1KV;ESD>4KV(contact) |
RFT>3V/m / EFT>1KV;ESD>4KV(contact) |
| Shock / Vibration / 振動沖擊 |
IEC 60947-5-2.part7.4.1 IEC 60947-5-2.Part7.4.2 |
IEC 60947-5-2.part7.4.1 IEC 60947-5-2.PART7.4.2 |
| Housing Material / 外殼材質 |
PBT |
PBT |
| Led Display / Led顯示 |
YES |
YES | |